人才培养方案

2023级电气自动化技术专业人才培养方案

来源: 时间:2023-08-29 作者:

                                                 1-竞技宝app下载官网2023级电气自动化技术专业人才培养方案_1-8.jpg

1-竞技宝app下载官网2023级电气自动化技术专业人才培养方案_9-16.jpg

1-竞技宝app下载官网2023级电气自动化技术专业人才培养方案_17-24.jpg

1-竞技宝app下载官网2023级电气自动化技术专业人才培养方案_25-32.jpg

1-竞技宝app下载官网2023级电气自动化技术专业人才培养方案_33-40.jpg

1-竞技宝app下载官网2023级电气自动化技术专业人才培养方案_41-48.jpg

1-竞技宝app下载官网2023级电气自动化技术专业人才培养方案_49-56.jpg

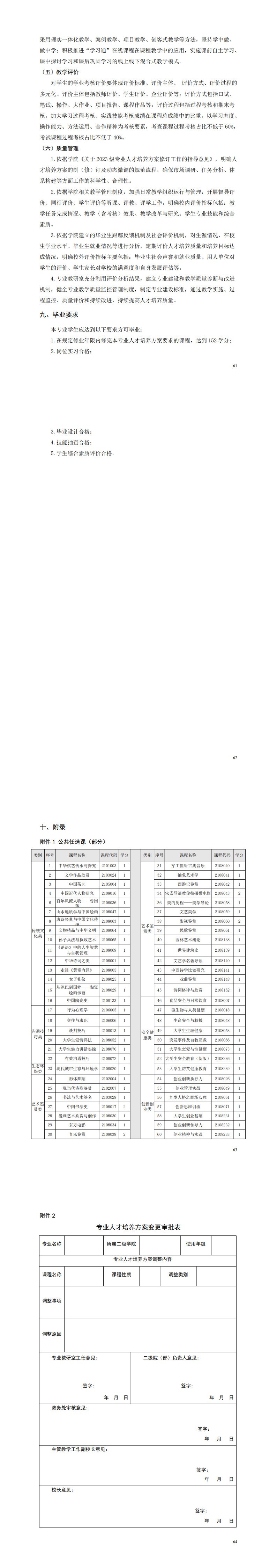
1-竞技宝app下载官网2023级电气自动化技术专业人才培养方案_57-64.jpg

1-竞技宝app下载官网2023级电气自动化技术专业人才培养方案_65-68.jpg



分享到:

官方微信

官方手机站

码上接单接诉即办

联系电话:0731-84099000

地址:长沙市开福区万家丽北路一段359号

Copyright © 2016 竞技宝app下载官网版权所有

湘ICP备05001106号

Baidu
竞技宝app的